LED Driver Update: The Latest ICs and Modules
Contributed By Electronic Products
2013-03-19
The solid-state lighting (SSL) surge has created a concomitant boom market for electronics to drive LEDs in various different applications, ranging from incandescent-replacement light bulbs to architectural lighting to streetlights and more. These new driver ICs and modules do more than simply provide power in the form needed by LEDs. Some devices can perform additional functions that engineers want in designing full-featured lighting system, such as dimming control and thermal regulation. In this article, we will examine some of the latest driver ICs and modules for LEDs, and the choices they offer the designer.
Dimming via PWM
Let’s look at some representative products offered today, and the options they give designers, beginning with module products from ROHM. One key advantage of ROHM’s modular technology is stable brightness. The forward current output that drives the LEDs is steady over a wide range of ambient temperatures — output current variation is only 1 percent from -20°C to 80°C — and across the entire recommended output voltage range (2.5 V to 12 V).
ROHM’s BP5843A driver module features high efficiency and precision, achieved using a current detector circuit that minimizes loss. The control circuitry, switching elements, transformers, and constant-current circuits required for switching are incorporated in a single module, making it possible to configure power supply circuits with just a few external components, thereby minimizing design efforts for maximum efficiency (Figure 1). The module is suited for such applications as downlights, spotlights, outdoor lighting, and more.

Figure 1: ROHM’s BP5843A driver module can drive one to three LEDs with just a few additional components. Users set the driving current by their choice of resistor R1. (Courtesy of ROHM.)
The lightweight module, which is housed in a compact, 32.6 x 24.5 x 15.8 mm SIP package, can drive one to three 1 W LEDs with a constant current output value of 250 mA to 350 mA that is set using a single resistor (Resistor R1 in Figure 1). The BP5843 module works from an input voltage of 113 to 170 VDC, easily derived from a 120 VAC power supply, and has a high efficiency of 85 percent. The module’s maximum output is 12 V.
A somewhat similar ROHM LED driver module, the BP5845W has the added ability to support 0-to-100 percent dimming using pulse-width-modulation (PWM). Like the BP5843A, it has a wide input voltage range of 113 to 170 VDC and can be driven from typical household power (80 to 120 VAC) and lets designers set the output current level with an external resistor. However, the BP5845W (Figure 2) can also drive six to nine LEDs, triple what the BP5843A can do, and it delivers a user-settable, constant-current output in a range between 198 and 360 mA with a maximum power output of 13 W. It has an efficiency of 88 percent. The manufacturer suggests that the part be used in designs for desk lamps, linear lighting, streetlights, and more.

Figure 2: The BP5845W from ROHM builds on the BP5843A by allowing dimming using a pulse-width-modulated (PWM) signal from a microcomputer chip. Note that in this case R1 lets users set the current for up to nine LEDs. (Courtesy of ROHM.)
The BP5845W actually includes the transformer, reducing the number of external parts required while simplifying power supply configuration. The module is offered in a compact, lightweight, space-saving package measuring 46 x 22.2 x 18.3 mm. To easily evaluate the product, an evaluation board with all the necessary components is available; the user simply connects an AC or DC voltage via the input pins, and then connects the LEDs or an output load.
Driver ICs for triac-dimmable, replacement lamps
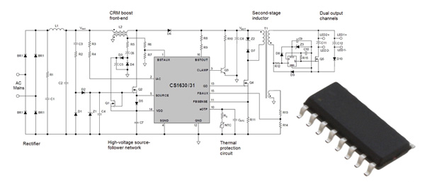
Recent examples of sophisticated ICs for driving LEDs are the CS1630 and CS1631 from Cirrus Logic. Both are high-performance dual channel LED drivers intended for use in triac-dimmable LED replacement lamps and luminaires with a high color-rendering index (CRI). The major difference between the two parts is that the CS1630 is designed to work from 120 VAC while the CS1631 is for 240 VAC). They feature the company’s proprietary control technology for digital dimmer compatibility, as well as digital control system for correlated color temperature (CCT) that enables two-channel LED color mixing. These compact parts — a 16-pin gull-wing-lead package measuring 9.90 x 6.00 x 1.75 mm — integrate a critical conduction mode (CRM) boost converter, providing power factor correction for better dimmer compatibility, with a primary-side, regulated, quasi-resonant second stage, which is configurable for isolated or nonisolated topologies. The digital CCT control system provides the ability to program different dimming profiles, such as constant CCT dimming or black-body-line dimming. The parts optimize LED color mixing by temperature-compensating LED current using an external negative temperature coefficient (NTC) thermistor. The parts provide a register lockout feature for security against potential access to proprietary registers.
In the schematic shown in Figure 3, startup current is provided to VDD from a patent-pending external high-voltage source-follower network. In addition to providing startup current, the circuit is essential for providing compatibility with digital dimmers; it ensures the VDD power is always available to the IC. During steady-state operation, an auxiliary winding on the boost inductor back-biases the source-follower circuit and provides steady-state operating current to the IC to improve efficiency.

Figure 3: The CS1630 and CS1631 from Cirrus Logic are designed to drive dual channels of LEDs with advanced color control. The chip can work directly with common triac dimmers as well as digital controls. (Courtesy of Cirrus Logic.)
The rectified input voltage is sensed as a current into pin IAC. It is also used to control the adaptive dimmer compatibility algorithm, as well as to extract the phase of the input voltage for output dimming control. During steady-state operation, the external source-follower circuit is source-switched in critical conduction mode (CRM) to boost the input voltage. This allows the boost stage to maintain a good power factor, provide dimmer compatibility, reduce bulk capacitor ripple current, and provide regulated input voltage to the second stage.
The current into the boost output-sense pin (BSTOUT) senses the output voltage of the CRM boost front-end. The quasi-resonant second stage is implemented with the peak current mode primary side control, which eliminates the need for additional components to provide feedback from the secondary and reduces system cost and complexity.
Voltage across an eternal user-selected resistor (R11) is sensed through pin FBSENSE to control peak current through the second-stage inductor. Leading-edge and trailing-edge blanking of pin FBSENSE prevents false triggering. Pin FBAUX is used to sense the second stage inductor demagnetization to ensure quasi-resonant switching of the output stage.
An internal current source is adjusted by a feedback loop to regulate a constant reference voltage on the pin eOTP for external NTC thermistor measurements. An external NTC is connected to pin eOTP to provide thermal protection of the system and LED temperature compensation. The output current of the system is steadily reduced when the system temperature exceed a programmable temperature set point. If the temperature reaches a designated high set point, the IC is shut down and stops switching.
The CS1630 and CS1631 can thus provide highly sophisticated controls for LED lighting systems that work with new and existing dimming controls. Doing so, however, requires a number of external components.
Cirrus also offers the CS1610/11/12/13 single-channel digital control ICs engineered to deliver a single channel phase-dimmable solid-state lighting (SSL) solution for the incandescent lamp replacement market that is designed for high-efficiency, flicker-free performance. The CS1610/11 is designed to control a quasi-resonant flyback topology. The CS1612/13 is designed to control a buck technology. The CS1610/12 and the 1611/13 are designed for 120 and 230 VAC line voltages, respectively. These ICs also integrate a critical conduction mode (CRM) boost converter that provides power-factor correction and dimmer compatibility with a constant output current quasi-resonant second stage.
Core functionality
The market also offers electronics that let the designer implement functionality around a core element, such as the 3021/3023 BuckPuck LED Power Modules from LEDdynamics. This line of true current-regulated drivers for powering LEDs is intended for powering all types of high-brightness and high-power LED packages and LED arrays.
BuckPuck LED drivers exhibit high efficiency and require no external current limiting resistors or additional heatsinking for operation. A fast-response current-sensing circuit also makes the 3021 and 3023 ideal for applications where flashing or strobe operation of the LED(s) is required, as well as for use with external dimming circuitry (Figure 4). Other design options available include external DC analog voltage intensity control, TTL/CMOS logic level on/off control (”E” Version), and set-and-forget internal current limiting (”I” Version). The standard units are fully potted in a 21.0 x 21.0 x 11.0 mm package, and are provided either with a simple 7-pin SIP connection for through-hole PCB mounting (3021), or with 6-in. 24-AWG colored leads (3023).

Figure 4: The 3021 and 3023 BuckPuck LED Power Modules from LEDdynamics offer many possibilities for designers. Working from a DC input voltage, circuits A and B provide external dimming control through the use of a potentiometer. In A, a switch provides on/off control; output current will be zero when the switch is closed. In B, the circuit uses a 2N3906 or equivalent PNP switching transistor to provide logic-controlled on/off. The circuit in C puts control in the hands of a microcontroller; the 3021/3023 reference output provides the processor’s operating voltage (5 V at up to 20 mA). (Courtesy of LEDdynamics.)
The built-in regulated 5 V reference in the 3021 and 3023’s E and I versions can provide output to power logic circuitry or a microprocessor, eliminating the need for an additional power supply on the circuit board.
Tight spaces
In designing LED-based incandescent bulb replacements, space is often at a premium. The NCL30100 from ON Semiconductor is a switching regulator controller that is extremely compact — it comes in a 3.00 x 2.75 x 1.00 mm TSOP-6 package — and specifically intended for space-constrained constant current high−brightness LED driver applications, where efficiency and small size are important (Figure 5). Intended SSL applications include low-voltage halogen replacement (MR 16), LED track lighting, landscape and outdoor area lighting, and LED light bars.

Figure 5: ON Semiconductor’s NCL30100 is extremely compact, but can drive multiple LEDs and work with dimming circuitry. The chip can work with triac and PWM dimming when the appropriate external circuitry is added. The illustration at lower left show a board with all the components in the above circuit diagram; note that it’s only about an inch long on each side.(Courtesy of ON Semiconductor.)
The controller is based on a peak current, quasi fixed−off time control architecture optimized for continuous conduction mode step−down (buck) operation. This allows the output filter capacitor to be eliminated. In this configuration, a reverse buck topology is used to control a cost effective N−type MOSFET. Moreover, this controller employs negative current sensing, thus minimizing power dissipation in the current sense resistor. The off time is user adjustable through the selection of a small external capacitor, thus allowing the design to be optimized for a given switching frequency range. The control loop is designed to operate up to 700 kHz, allowing the designer the flexibility to use a very small inductor for space-constrained applications.
The device has been optimized to provide a flexible inductive step−down converter to drive one or more high-power LED(s). The controller can also be used to implement nonisolated buck−boost driver topologies.
More to come
The number of products targeting the SSL applications mentioned in this article is growing on a month-to-month basis. In addition to the drivers discussed, many others can serve designers’ needs. For instance, there’s the Linear Technology LT 3791, a synchronous four-switch buck-boost LED driver controller, capable of regulating current up to 52 V for an LED string. The Maxim MAX6969 serial-interfaced LED drive also provides 16 open-drain, constant-current-sinking LED driver outputs rated at 5.5 V. More information on all parts mentioned in this article can be found by using the links provided to access product pages on the DigiKey website.
Disclaimer: The opinions, beliefs, and viewpoints expressed by the various authors and/or forum participants on this website do not necessarily reflect the opinions, beliefs, and viewpoints of DigiKey or official policies of DigiKey.


